Skip to product information
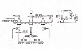
081155C  3-HOLE WASHBASIN FAUCET
1/2

081155C 3-HOLE WASHBASIN FAUCET

$179.99 CAD

Two handle 8" windspread lavatory faucet

Flow rate : 1.5 gallon@60psi

You may also like